青 岛 科 技 大 学
2008年硕士研究生入学考试试题
考试科目:电子学
注意事项:1.本试卷共 10 道大题,满分 150 分;
2.本卷属试题卷,答题另有答题卷,答案一律写在答题卷上,写在本试题卷上或草纸上均无效。要注意试卷清洁,不要在试卷上涂划;
3.必须用蓝、黑钢笔或签字笔答题,其它均无效。
﹡﹡﹡﹡﹡﹡﹡﹡﹡﹡﹡﹡﹡﹡﹡﹡﹡﹡﹡﹡﹡﹡﹡﹡﹡﹡﹡﹡﹡﹡﹡﹡﹡﹡﹡﹡﹡﹡﹡
一.选择题(20分,每项1分)
选择正确答案所对应的字母写在答题纸上。
例:
MOSFET是指(A1.双极性三极管;B1.金属—氧化物—半导体场效应管;C1.结型场效应管),其输入电阻(A2.大;B2.小)。
(在答题纸上写)题号 答: B1 A2 。
1. N型半导体的多子是自由电子,N型半导体 ____。(A. 带正电 B.带负电C.不带电)
2. 稳压二极管的稳压区是__________区。(A.正向导通B.反向截止C.反向击穿)
3. 现有基本放大电路:
A.共射电路 B.共集电路 C.共基电路
D.共源电路 E.共漏电路
根据要求选择合适电路组成两级放大电路。
(1)要求输入电阻为1kΩ至2kΩ,电压放大倍数大于3000,第一级应采用 ,第二级应采用 。
(2)要求输入电阻大于10MΩ,电压放大倍数大于300,第一级应采用 ,第二级应采用 。
4. 选用差分放大电路的原因是________。
A.克服温漂 B. 提高输入电阻 C.稳定放入倍数
5. 集成运放电路采用直接耦合方式是因为________。
A.可获得很大的放大倍数 B. 可使温漂小 C.集成工艺难于制造大容量电容
6. 测试放大电路输出电压幅值与相位的变化,可以得到它的频率响应,条件是_____。
A.输入电压幅值不变,改变频率
B.输入电压频率不变,改变幅值
C.输入电压的幅值与频率同时变化
7. 对于放大电路,所谓开环是指________。
A. 无信号源 B. 无反馈通路 C. 无电源 D. 无负载
8. 已知交流负反馈有四种组态:
A.电压串联负反馈 B.电压并联负反馈
C.电流串联负反馈 D.电流并联负反馈
选择合适的答案填入下列空格内,只填入A、B、C或D。
(1)欲得到电流-电压转换电路,应在放大电路中引入____ ;
(2)欲将电压信号转换成与之成比例的电流信号,应在放大电路中引入____ ;
(3)欲减小电路从信号源索取的电流,增大带负载能力,应在放大电路中引入____ ;
(4)欲从信号源获得更大的电流,并稳定输出电流,应在放大电路中引入____ 。
9.现有电路:
A. 反相比例运算电路 B. 同相比例运算电路 C. 积分运算电路
D. 微分运算电路 E. 加法运算电路 F. 乘方运算电路
选择一个合适的答案填入空内。
(1)欲将正弦波电压移相+900,应选用_____。
(2)欲将正弦波电压转换成二倍频电压,应选用_____。
(3)欲实现Au=-100的放大电路,应选用_____。
10. 选择下面一个答案填入空中。
A. 容性 B. 阻性 C. 感性
当信号频率等于石英晶体的串联谐振频率或并联谐振频率时,石英晶体呈_____;当信号频率在石英晶体的串联谐振频率和并联谐振频率之间时,石英晶体呈_____;其余情况下,石英晶体呈_____。


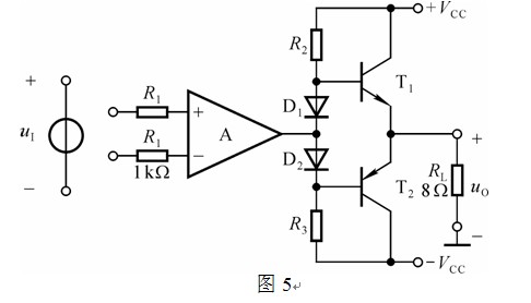
三、(15分)
1. 图2电路中有几种级间反馈?写出 级间反馈 的反馈元件和反馈通道。
2. 分析图2电路中级间交流负反馈 的组态。
3. 级间交流负反馈对输入电阻、输出电阻有何种影响?

四、(10分)
写出图3所示运算放大器电路的输出与输入的关系式。图中RW = R3 + R4




七、(20分)
组合逻辑电路设计
设计用3个开关控制一个电灯的电路,要求改变任何一个开关的状态都能控制电灯由亮变灭或者由灭变亮。要求用3-8译码器来实现。
八、(20分)
时序逻辑电路分析。
分析图6中时序逻辑电路,写出电路的驱动方程、状态方程和输出方程,画出状态转换图。

图6 时序逻辑电路
九、(20分)
时序逻辑电路设计
设计一个可控进制的计数器,当输入控制变量M=0时工作在五进制,M=1时工作在十五进制。在图中标出计数输入端和进位输出端。
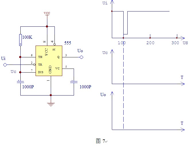
十、(10分)
写出图7中电路名称,分析电路的功能,画出Uo和Uc的波形图,在图中注明脉冲宽度和时间(单位是μS)。

特别声明:①凡本网注明稿件来源为"原创"的,转载必须注明"稿件来源:育路网",违者将依法追究责任;
②部分稿件来源于网络,如有侵权,请联系我们沟通解决。
25人觉的有用
13
2011.11
青 岛 科 技 大 学 二OO八 年硕士研究生入学考试试题 考试科目:大气污染控制工程 注意事......
13
2011.11
青 岛 科 技 大 学 二OO八 年硕士研究生入学考试试题 考试科目:安全系统工程 注意事项:......
13
2011.11
青 岛 科 技 大 学 二OO八年硕士研究生入学考试试题 考试科目:材料力学 注意事项:1.本......
13
2011.11
青 岛 科 技 大 学 二OO 八 年硕士研究生入学考试试题 考试科目:传热学 注意事项:1.本......
13
2011.11
青 岛 科 技 大 学 二OO八年硕士研究生入学考试试题 考试科目:管理学原理 注意事项: ......
13
2011.11
青 岛 科 技 大 学 二OO 八 年硕士研究生入学考试试题 考试科目:材料科学基础 注意事项......